產品特點:
1.可手動調節或通過軟件調節光源亮度
2.直流輸入電壓DC 24V
3.使用靈活,每通道單獨可調
4.可外部觸發,靈活控制,響應速度快
5.可設置為斷電不保存與斷電自動保存設置參數功能
6.操作簡單,顯示直觀,4位數碼管清晰顯示當前通道亮度等級
時序圖
常亮模式(H 1模式):
當外部連接觸發信號時,觸發“+”輸入高電平5-24V “-”接地時,光源滅。
常滅模式(H 0模式):
當外部連接觸發信號時,觸發“+”輸入高電平5-24V “-”接地時,光源亮。

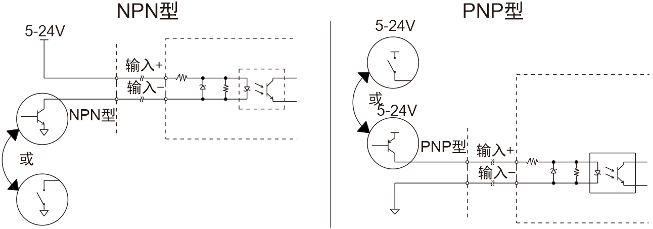
常用外部觸發信號接線方法

控制器型號
| 類型 | 型號 | 單路輸出可調電流 | 總輸出功率 | 單路輸出最大功率 | 通道數 | 外部觸發電壓 |
| 恒流控制器 | LTS-3ACC350-2F | 0-350mA | 2W | 1W | 2 | 5-24V |
| LTS-3ACC350-4F | 0-350mA | 4W | 1W | 4 | ||
| LTS-3ACC700-2F | 0-700mA | 4W | 2W | 2 | ||
| LTS-3ACC700-4F | 0-700mA | 8W | 2W | 4 | ||
| LTS-3ACC1000-2F | 0-1000mA | 6W | 3W | 2 | ||
| LTS-3ACC1000-4F | 0-1000mA | 12W | 3W | 4 |
